Vörur
Sólarplötur öll svört

Sólarplötur öll svört

SFM 170- watt mono-kristallað PV sólarborð notar mikla skilvirkni sólarfrumur úr gæðakísilefni fyrir mikla umbreytingu eininga, langtíma framleiðsla stöðugleika og áreiðanleika. Nánast viðhaldsfrjálst. Mikil umbreyting, lágt járn mildað gler fyrir endingu og aukið höggþol.

Vörulýsing

 

SFM 170- watt mono-kristallað PV sólarborð notar mikla skilvirkni sólarfrumur úr gæðakísilefni fyrir mikla umbreytingu eininga, langtíma framleiðsla stöðugleika og áreiðanleika. Nánast viðhaldsfrjálst. Mikil umbreyting, lágt járn mildað gler fyrir endingu og aukið höggþol.

Gert með innfluttum og innlendum efnum

Svartur rammi með svörtu bakblaði

Jákvætt valdþol (0 til +3%)

Einstök rammahönnun með sterkum vélrænni styrk fyrir allt að 50 pund. Vindálag og snjóálag þola og auðveld uppsetning

Framúrskarandi rafknúin afköst undir háum hita og veikt ljósumhverfi

Hliðarbraut díóða draga úr skyggingaráhrifum í röð strengja

 

Færibreytur

 

Rafmagnseinkenni (STC*)
Líkan nr. (SFM)

150W

155W

160W

165W

170W

175W

180W

Hámarksafl hjá STC (PMAX)

150W

155W

160W

165W

170W

175W

180W

Hámarksaflsspenna (VMP)

18.02

18.10

18.20

18.41

18.56

18.78

19.01

Hámarksaflstraumur (IMP)

8.33

8.56

8.80

8.96

9.15

9.35

9.47

Opin hringrás (VOC)

21.62

21.72

21.84

22.09

22.27

22.54

22.62

Skammhlaupsstraumur (ISC)

9.07

9.33

9.58

9.77

9.94

10.16

10.32

Hámarksspenna (v)

1000V DC (IEC)

Hámarks röð öryggismats (A)

15A

Valdþol (%)

0-+3%

Noct

45 ± 2 gráðu

PMAX hitastigstuðull

-0. 46%\/ gráðu

VOC hitastigstuðull

-0. 346%\/ gráðu

ISC hitastigstuðull

0. 065%\/ gráðu

Rekstrarhiti

Frá -40 til +85 gráðu
*STC (venjulegt prófunarástand): geislun 1000W\/㎡, hitastig einingar 25 gráðu, AM1.5
Bestur í flokki AAA Solar Simulator (IEC 60904-9) er notaður, með óvissu um valdamælingu innan ± 3%

 

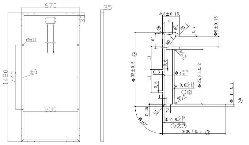
Verkfræðiteikningar (mm)

 

1

 

Vélræn einkenni

Sólarfrumur

36 (4 × 9) Mono-kristallaðar kísil sólarfrumur 156 × 156mm

Framgler

3.2mm (0. 13in) Háflutningsgler

Umlykja

Eva (etýlen-vinyl asetat)

Rammi

Tvöfaldur lag anodized ál ál

Junction Box

IP67 metinn, með viðhaldstæða framhjá díóða

Kaplar

UV ónæmur sólstrengur (valfrjálst)

Tengi

MC4 samhæf tengi (valfrjálst)

Mál (L × W × H)

1480 × 670 × 35mm

Þyngd

12 kg

Max.load

Vindálag: 2400PA\/Snow Load: 5400Pa

 

Pökkunarstillingar

Pökkun magn

2 stk\/öskju

Magn\/bretti

50 stk\/bretti

Hleðslugeta

569 stk\/20ft, 1180 stk\/40ft

 

Lögun

 

Andstæðingur-endurspeglunargler hjálpar til við að auka frásog orku, meðan efri og neðri silfurstengingum hefur verið skipt út fyrir svörtum flipum, í stað aukalaga af borði eða svörtum Tedlar, sem lágmarkar skilvirkni tap á móti hvíta bakblaðinu og dregur úr hættu á ör örsprengjum vegna lægri lagskipta þykktar.

Jafnvel við hátt hitastig getur sólarfruman haldið meiri skilvirkni en hefðbundin kristallað kísil sólarfrumur. Þetta er sérstaklega viðeigandi fyrir „svart“ einingar, þar sem frásog hita er meiri. Sufu skilar afköstum besta í bekknum þegar flest rafmagn er búið til á sumrin. Þetta er sérstaklega viðeigandi í heitu loftslagi. Er hægt að nota í mörgum mismunandi forritum, jafnvel vinnuskúrum, bílskúrum eða búðum tilvalin fyrir íbúðarhúsnæði og verslunarþakkerfi

Jörðufesting samhæfð

Samhæft við snúninga á netinu og utan nets

Svartar sólarplötur fyrir íbúðarhúsnæði og atvinnuskyni þar sem sjónrænt ánægjulegt sólarborð og hámarks skilvirkni er í fyrirrúmi.

 

Um okkur

 

Qinhuangdao Sufu Electronic Co., Ltd er nútímaleg sólareining, sólkerfislausnir og þjónustufyrirtæki. Sólarafurðir okkar eru allt frá sólareiningum til sólarorkukerfa, sólargötuljós, sólarhleðsluhleðslutæki, sólardælu og ljósmyndahraða virkjanir, byggingar meðfylgjandi ljósmynda-voltaic (BAPV), byggja samþætta ljósmynd-spennu (BIPV) hönnun og smíði.

Með því að ná yfir vinnustofur 30, 000 ㎡, er fyrsta áfanga fjárfestingin 20 milljónir RMB, með árlega framleiðslugetu okkar 20MW fyrir bæði Mono og Poly sólarplötur.

SUFU hefur boðið heiminum áreiðanlegar og endurnýjanlegar vörur sem eru alþjóðlega vottaðar með TUV, CE, IEC og ISO9001 osfrv.

Varan á við um fjölbreytt úrval viðskiptavina, þar á meðal Ástralíu, Indland, Japan, Kóreu, Suður -Ameríku, Miðausturlöndum, Suðaustur -Asíu, Afríku og öðrum löndum.

 

Skírteini

 

4

 

Af hverju að velja okkur?

 

1. Við höfum okkar eigin verksmiðju með fagmanni fyrir sólarpall og kerfi yfir 10 ár.

2. Við erum með sterkt R & D teymi.

3.. Bjóða OEM þjónustu fyrir pöntunina þína.

4. Svar innan 12 klukkustunda.

5. Bjóða upp á samkeppnishæf verð, góð þjónusta eftir sölu.

 

Algengar spurningar

 

Sp .: Af hverju velur þú Sufu?

A: Vegna þess að við erum faglegur framleiðandi sólarbúnaðar í meira en 11 ár. Við erum með framúrskarandi hráa birgja og sterka verkfræðingateymi.

 

Sp .: Hver er afhendingartíminn?

A: Innan 15 daga eftir að fyrirskipun hefur verið staðfest með fyrirframgreiðslu.

 

Sp .: Hverjir eru ábyrgðarskilmálar þínir?

A: Við bjóðum upp á mismunandi ábyrgðartíma fyrir mismunandi íhluti, vinsamlegast hafðu samband við okkur til að fá frekari upplýsingar.

 

Sp .: Hvað með gæðaeftirlitskerfið þitt?

A: Gæði eru forgangsverkefni. Við förum alltaf mikla vægi fyrir gæðaeftirliti frá upphafi til loka framleiðslunnar. Sérhver vara verður full samsett og varkár prófuð áður en hún er pakkað og flutningi.

 

maq per Qat: Sólarplötur Öll svört, birgjar, framleiðendur, verksmiðja, sérsniðin, heildsölu, kaup, verð, best, til sölu

Hringdu í okkur