Vörur
300 Vatta Sólarsýn

300 Vatta Sólarsýn

Smáatriði
Eva
Mikil sending EVA, mikið hlaupinnihald til að veita góða umbreytingu og vernda frumur gegn titringi með lengri endingu.

Vörulýsing

 

300 Watt sólareining Poly-kristallað

Smáatriði

Eva

Mikil sending EVA, mikið hlaupinnihald til að veita góða umbreytingu og vernda frumur gegn titringi með lengri endingu.

Sólarfrumur

5BB í boði

156 frumur með miklum skilvirkni frumum

And-PID

Junction-kassi

IP 67 Metið vatnsheldur

Nýstárleg fullglóð

Portrett\/landslagslengd valfrjálst

Samhæft MC4

500n togstyrkur

Kvenkyns\/karl\/öryggi

Merkimiða

Vatnsheldur sérsniðinn merki

OEM með merkinu þínu

Faglegur silfurlitur

 

Færibreytur

 

Rafmagnseinkenni (STC*)

Líkan nr. (SFP)

310W

315W

320W

325W

330W

335W

340W

345W

350W

Hámarksafl hjá STC (PMAX)

310W

315W

320W

325W

330W

335W

340W

345W

350W

Hámarksaflsspenna (VMP)

36.00

36.39

36.47

36.53

36.63

36.70

36.80

36.94

37.01

Hámarksaflstraumur (IMP)

8.61

8.66

8.78

8.90

9.01

9.13

9.24

9.34

9.46

Opin hringrás (VOC)

43.20

43.36

43.76

43.83

43.98

44.04

44.16

44.33

44.41

Skammhlaupsstraumur (ISC)

9.38

9.53

9.65

9.79

9.91

10.04

10.16

10.18

10.31

Hámarksspenna (v)

1000V DC (IEC)

Hámarks röð öryggismats (A)

15A

Orkuþol (%)

0-+3%

Noct

45 ± 2 gráðu

PMAX hitastigstuðull

-0. 46%\/ gráðu

VOC hitastigstuðull

-0. 346%\/ gráðu

ISC hitastigstuðull

0. 065%\/ gráðu

Rekstrarhiti

Frá -40 til +85 gráðu
*STC (venjulegt prófunarástand): geislun 1000W\/㎡, hitastig einingar 25 gráðu, AM1.5
Bestur í flokki AAA Solar Simulator (IEC 60904-9) er notaður, með óvissu um valdamælingu innan ± 3%

 

Vélræn einkenni

Sólarfrumur

72 (6 × 12) Poly-kristallaðar kísil sólarfrumur 156 × 156mm

Framgler

3.2mm (0. 13in) Háflutningsgler

Umlykja

Eva (etýlen-vinyl asetat)

Rammi

Tvöfaldur lag anodized ál ál

Miðju box

IP67 metinn, með viðhaldstæða framhjá díóða

Kaplar

UV ónæmur sólstrengur (valfrjálst)

Tengi

MC4 samhæf tengi (valfrjálst)

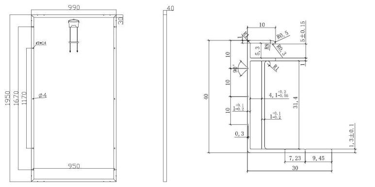
Mál (L × W × H)

1950 × 990 × 40mm

Þyngd

22 kg

Max.load

Vindálag: 2400PA\/Snow Load: 5400Pa

 

Verkfræðiteikningar (mm)

 

 

1

 

Upplýsingar

 

Mildað gler

- Lágt járn, hátt smitað gler, 3,2 mm þykkt.

- Ljósbreyting nær 91% eða meira.

- hefur góðan hitastöðugleika.

 

Eva kvikmynd

- Hátt gegnsæi, hægt er að beita mikilli viðloðun við ýmis viðmót.

- Lágt bræðslumark, auðvelt að flæða, er hægt að beita á ýmsa gler lagskipta ferli.

- Auðvelt að geyma.

- Góð ending gegn háum hita, raka, UV geislum

 

Sólarfrumur

- Skilvirkni upp í 18,8%.

- Fjölkristallað kísill, 156*156mm

 

Junction Box

- 3 Hægt er að stilla lokakúta eftir þörfum.

- Allar tengingaraðferðir eru tengdar með skjótum viðbót.

-Skelin er úr hágæða hráefni og hefur mikla öldrun og UV viðnám.

- IP67 hlutfall verndar.

 

Umsókn

 

Algengasta notkunin við sólarafmagn í dag er kölluð á rist: þar sem sólrafmagn er tengt við núverandi aflgjafa. Þessi notkun fyrir sólar rafmagn er afar vinsæl vegna þess að í stað þess að nota rafhlöður til geymslu er rafmagn flutt inn og flutt út í ristina eftir því sem myndun og eftirspurn er mismunandi. Þetta hjálpar til við að draga úr kostnaði og margbreytileika sólkerfa.

 

Umbúðir

 

Pökkunarstillingar

Pökkun magn

25 stk\/öskju

Magn\/bretti

50 stk\/bretti

Hleðslugeta

598 stk\/40ft

 

Skírteini

 

4

 

Af hverju að velja okkur?

 

1. Við höfum okkar eigin verksmiðju með fagmanni fyrir sólarpall og kerfi yfir 10 ár.

2. Við erum með sterkt R & D teymi.

3.. Bjóða OEM þjónustu fyrir pöntunina þína.

4. Svar innan 12 klukkustunda.

5. Bjóða upp á samkeppnishæf verð, góð þjónusta eftir sölu.

 

Algengar spurningar

 

1. Ert þú framleiðandi eða viðskiptafyrirtæki?

A: Við erum framleiðandi og viðskiptafyrirtækið, velkomin OEM og ODM.

 

2.. Hvernig gerir verksmiðjan þín varðandi gæðaeftirlit?

A: Gæði eru kjarninn í vörum, það eru fagleg prófunaraðili og prófunarvél til að tryggja gæði. Og við fengum vottunina frá ISO9001, CE, ROHS, CC, ETC.

 

3. Af hverju að velja okkur? Einhver kostur?

A: Svarið er já. Það eru nokkrir kostir eins og hér að neðan.

(1) Gagnkvæmur ávinningur: Tilboð okkar verður sanngjarnt, verð okkar verður ódýrara með sömu gæði.

(2) Sérsniðið: Við getum búið til vöruna sem beiðni þína, lögun og gæði geta uppfyllt beiðni þína.

(3) Blandað röð: Við tökum við blönduðum röð, mismunandi líkan og lítið magn

 

maq per Qat: 300 Watt sólarplötur, birgjar, framleiðendur, verksmiðja, sérsniðin, heildsölu, kaup, verð, best, til sölu

Hringdu í okkur